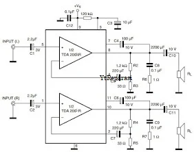
Data Pin IC TDA2005
Berikut ini Data Sheet dan Skema IC TDA 2005
Pin 1: Non invertring input 1
Pin 2: Inverting input 1
Pin 3: SVRR
Pin 4: Inverting input 2
Pin 5: Non invertring input 2
Pin 6: Gnd
Pin 7: Boostrap 2
Pin 8: Audio output 2
Pin 9: Supply voltage
Pin 10: Audio output 1
Pin 11: Boostrap 1
Tegangan kerja = 8 - 18 V
Arus maximal = 3.5 A
Dauya output = 7 watt per channal pada beban 8 Ohm
10 watt per channal pada beban 4 Ohm
.jpg)
.jpg)